Panel Mounting Straight Socket Plug HD 240 India, Ahmedabad

HD 240

Industrial sockets are crucial for safe and long-lasting electrical connections in industrial and heavy-duty environments. At Elecron, we bring years of expertise in delivering high-performance sockets made from premium-grade polyamide material. Designed as per HD 240 32A, with complete regulatory approvals, a dedicated in-house testing laboratory, and strong manufacturing capabilities, we ensure every product meets the highest quality benchmarks. Elecron  sockets are trusted by industries that demand durability, safety, and reliability in every connection.

Technical Specification

Ampere32 A
Poles5 P
Voltage400 V
Clock Position6 H
Hertz50-60 Hz
Connection TechnologyScrew Terminals
ContactStandard
Protection TypeIP 67
Flange75x75 MM
Fixing Hole60x60 MM

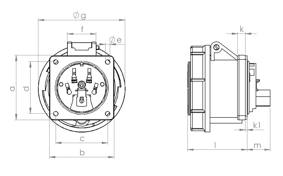
Drawing

Industrial HD 240 Manufacturer in Ahmedabad, India
Code HD 240
Rated Current (A)32
Poles 5
Earth Contact Position6 H
Dimension (MM)A75
B75
C60
D60
E5.5
F34
G101
I70
M29
K9
K12
Conductor Crossectional Area (MM9) Min To Max4 - 6

Products Enquiry

    ×

    Buy Industrial Plug and Socket at Best Price in India, Ahmedabad

      error: Content is protected !!